一、矩阵键盘介绍

矩阵键盘可以按行也可以按列扫描
在STC89C52芯片中所有的IO口都可以是输入也可以做输出,P1 P2 P3都是弱上拉,P0是开漏输出,但在开发板上已经做了外部上拉电阻和P1 P2 P3一样。IO口都是弱上拉,强下拉,所以按键扫描是可以IO口接IO的,不会发生短路的现象。
二、扫描的概念

三、代码
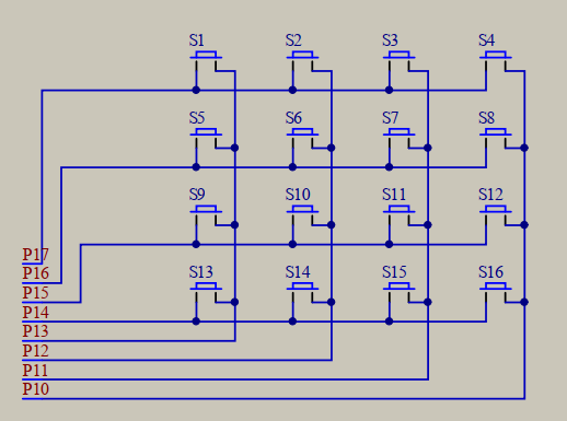
采用模块化编程,在LCD1602上显示,当哪个按键按下就是显示哪个数字,矩阵键盘按列扫描

首先让P1口全部写高,当P13口为0,检测P17 P16 P15 P14口的电平即S1 S5 S9 S13
MatrixKey.c文件
#include <REGX52.H>
#include "Delay.h"
/**
* @brief 矩阵键盘读取按键键码
* @param 无
* @retval KeyNumber 按下按键的键码值
如果按键按下不放,程序会停留在此函数(while函数中,会阻止主函数的运行),松手的一瞬间,返回按键键码,没有按键按下时,返回0
*/
unsigned char MatrixKey()
{
unsigned char KeyNumber=0;
//按列扫描
P1=0xFF;
P1_3=0;
if(P1_7==0){Delay(20);while(P1_7==0);Delay(20);KeyNumber=1;}
if(P1_6==0){Delay(20);while(P1_6==0);Delay(20);KeyNumber=5;}
if(P1_5==0){Delay(20);while(P1_5==0);Delay(20);KeyNumber=9;}
if(P1_4==0){Delay(20);while(P1_4==0);Delay(20);KeyNumber=13;}
P1=0xFF;
P1_2=0;
if(P1_7==0){Delay(20);while(P1_7==0);Delay(20);KeyNumber=2;}
if(P1_6==0){Delay(20);while(P1_6==0);Delay(20);KeyNumber=6;}
if(P1_5==0){Delay(20);while(P1_5==0);Delay(20);KeyNumber=10;}
if(P1_4==0){Delay(20);while(P1_4==0);Delay(20);KeyNumber=14;}
P1=0xFF;
P1_1=0;
if(P1_7==0){Delay(20);while(P1_7==0);Delay(20);KeyNumber=3;}
if(P1_6==0){Delay(20);while(P1_6==0);Delay(20);KeyNumber=7;}
if(P1_5==0){Delay(20);while(P1_5==0);Delay(20);KeyNumber=11;}
if(P1_4==0){Delay(20);while(P1_4==0);Delay(20);KeyNumber=15;}
P1=0xFF;
P1_0=0;
if(P1_7==0){Delay(20);while(P1_7==0);Delay(20);KeyNumber=4;}
if(P1_6==0){Delay(20);while(P1_6==0);Delay(20);KeyNumber=8;}
if(P1_5==0){Delay(20);while(P1_5==0);Delay(20);KeyNumber=12;}
if(P1_4==0){Delay(20);while(P1_4==0);Delay(20);KeyNumber=16;}
return KeyNumber;
}
main.c文件
#include <REGX52.H>
#include "Delay.h"
#include "LCD1602.h"
#include "MatrixKey.h"
unsigned char KeyNum;
void main()
{
LCD_Init();
LCD_ShowString(1,1,"MatrixKey:");
while(1)
{
KeyNum=MatrixKey();
if(KeyNum)
{
LCD_ShowNum(2,1,KeyNum,2);
}
}
}
版权声明:本文为qq_42786221原创文章,遵循 CC 4.0 BY-SA 版权协议,转载请附上原文出处链接和本声明。