前言
本文将介绍单限电压比较器、滞回电压比较器和窗口电压比较器,电压比较器基于通用型集成运放。电压比较器通常使集成运放处于开环或者正反馈,常用于电压比较、报警系统、波形变换。
一、单限电压比较器
单限电压比较器只有一个阈值,如果是同相,输入电压大于阈值输出正电压,小于阈值输出负电压。正负电压都是唯一的数值,没有经过处理时接近电源电压。
1.过零比较器
过零比较器是经典的单限电压比较器,如下图所示。

如图所示,这是一个经过处理的过零比较器,对输入和输出进行了限幅。电压只要大于或者小于0就会输出固定的电压值,如果电压太大会烧坏集成运放,所以对输入进行了限幅。
ui大于0时D1截止、D2导通,输入D2导通压降(压降大于0)。ui小于0时D1导通、D2截止,输入D1导通压降(压降小于0)。当ui较大时,输入给集成运放的都是小电压,从而起到保护作用。Dz1和Dz2是稳压管,通过改变稳压管可以控制输出的电压值。图中输出电压为±Uz。如果对输入电压有把握可以不对输入进行限幅。两个电阻是必不可少的,起限流作用,保护二极管。
2.一般单限电压比较器

一般的单限电压比较器是对一个设定的电压进行比较。下面对该电路进行分析:
u
p
=
0
up=0
up=0
根据叠加定理,
u
o
=
R
1
R
1
+
R
2
u
i
+
R
2
R
1
+
R
2
U
r
e
f
uo=\frac{R1}{R1+R2}ui+\frac{R2}{R1+R2}Uref
uo=R1+R2R1ui+R1+R2R2Uref
令
u
n
=
u
p
un=up
un=up得,
u
t
=
−
R
2
R
1
U
r
e
f
ut=-\frac{R2}{R1}Uref
ut=−R1R2Uref(令un=up求得ui就是ut)
ui小于ut输出+Uz,ui大于ut输出-Uz,电阻R限流保护稳压管。
如果要修改阈值,可以改变Uref、R1、R2大小。
如果要修改电压跃变方向,可以改变输入端正负。
如果要修改输出电压,可以改变稳压管。
二、滞回电压比较器
滞回电压比较器有两个阈值,电压从大到小变化对应一个阈值,电压从小到大变化对应另一个阈值。与单限电压比较器的相同点是当电压单调变化时只有一个阈值,不同点是电压变化方向不同时对应不同的阈值。

如图所示,电路引入了正反馈。
u
n
=
u
i
un=ui
un=ui
u
p
=
−
R
1
R
1
+
R
2
u
o
up=-\frac{R1}{R1+R2}uo
up=−R1+R2R1uo
u
o
=
±
U
z
uo=±Uz
uo=±Uz
令
u
n
=
u
p
un=up
un=up得,
±
u
t
=
±
R
1
R
1
+
R
2
U
z
±ut=±\frac{R1}{R1+R2}Uz
±ut=±R1+R2R1Uz
当ui<-ut,
u
t
=
+
R
1
R
1
+
R
2
U
z
ut=+\frac{R1}{R1+R2}Uz
ut=+R1+R2R1Uz,uo=+Uz,直到ui>+ut,uo=-Uz
当ui>+ut,
u
t
=
−
R
1
R
1
+
R
2
U
z
ut=-\frac{R1}{R1+R2}Uz
ut=−R1+R2R1Uz,uo=-Uz,直到ui<-ut,uo=+Uz

如果要修改电压跃变方向,不能直接改变正负极,需要更换接地点和ui。
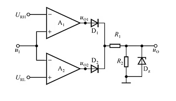
三、窗口电压比较器
单限电压比较器和滞回电压比较器共同点是单调变化时只有一个阈值,如果要单调变化时有两个阈值,这时就需要用到窗口电压比较器。

如图所示,当
u
i
>
U
r
h
ui>Urh
ui>Urh,D1导通,D2截止,
u
o
=
U
z
uo=Uz
uo=Uz。当
u
i
<
U
r
l
ui<Url
ui<Url,D1截止,D2导通,
u
o
=
U
z
uo=Uz
uo=Uz。当
U
r
l
<
u
i
<
U
r
h
Url<ui<Urh
Url<ui<Urh,D1截止,D2截止,
u
o
=
0
uo=0
uo=0。电压传输特性如下图所示。

结语
那么以上就是本篇文章的所有内容了。
本文如果有什么不对的或者需要改进的地方欢迎指出。