致初次读者:
Hello!大家好!这是小胡的第一条博客,有很多青涩的地方欢迎大家找我进行交流,我也会尽我之力告诉大家我设计实验的思路,也可以借此来让大家在设计实验的时候遇到不明确的地方可以在下面的文章中找到答案。
简单设计思路
因为我自己在开始做实验的时候有遇到很大困惑,但是看了很多人的博客并没有很清晰,所以我决定写这篇博客来使大家可以更加清晰设计方法。
1.首先我们要知道自己应该从哪里入手?
我认为最重要的一点是把器件认全。知道哪个器件是应该放在哪里的。

一开始打开实验会出现四个器件:单周期控制器(最后进行单周期控制器的设计图),PC程序计数器,指令存储器和数据存储器。
(1)、单周期控制器:组合逻辑电路,输入为指令字中的opcode字段和funct字段,输出为执行指令需要的8个操作控制信号。(控制器的设计会附在后面)
(2)、PC程序计数器:输出当前指令的字节地址,输入的是吓一跳指令的地址,顺序执行时PC=PC+4。(PC+4这一条线是所有的指令都要有的)
(3)、指令存储器:顾名思义就是用于单独存放程序指令。
(4)、数据存储器:主要就是内存的角色。
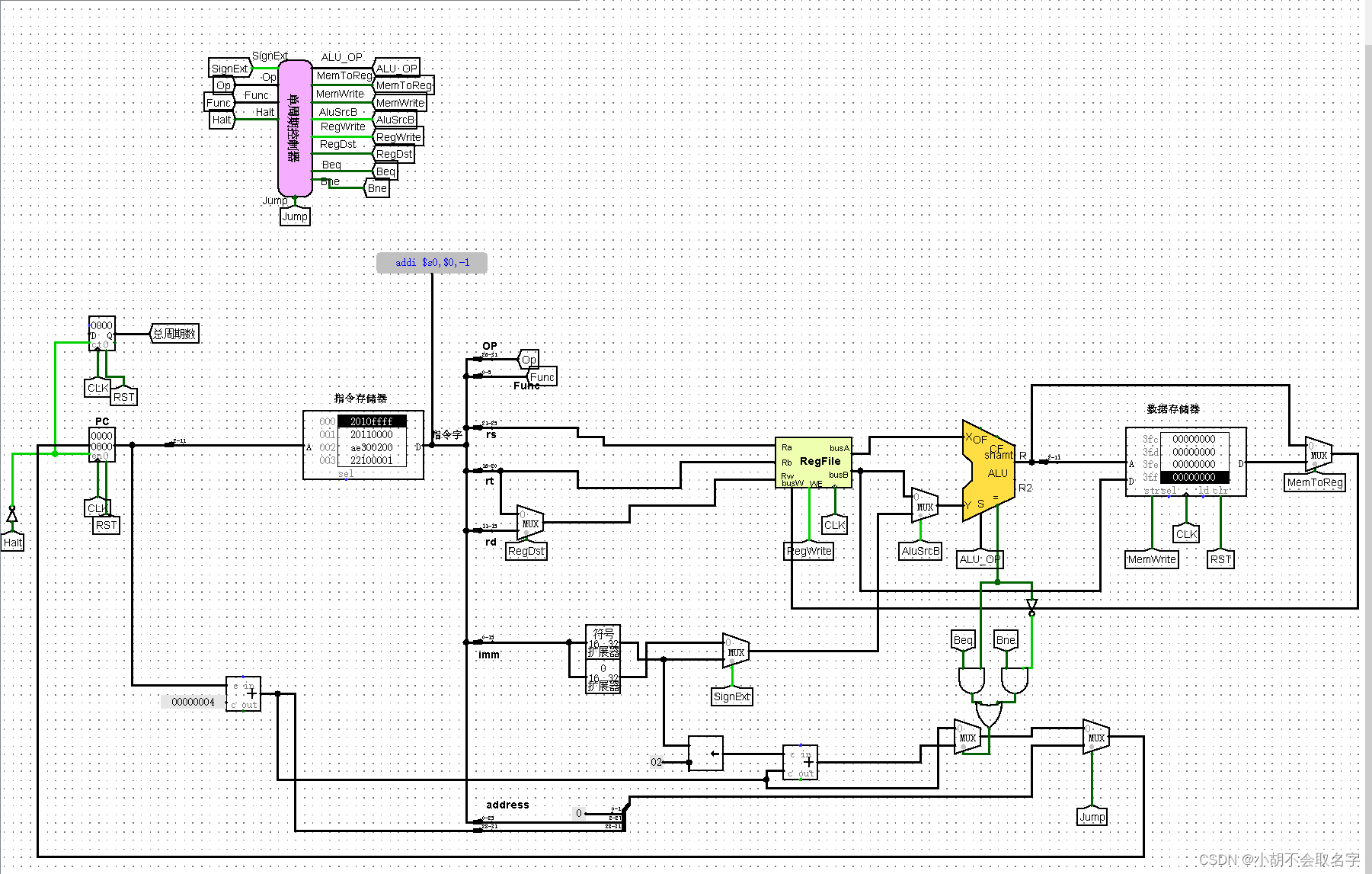
2、先放上终极电路图

终极电路图
3、逐步分析
(1)、根据11条指令集的功能描述可以初步判断数据通路是怎么走的

(2)再写出每个控制信号的真值表。由于之前我是down的另一个博主的真值表,所以我也在这里粘贴一下这个真值表。(转载于链接: 水上三点萍.)我这里放的是一个24条指令的真值表,可以在里面查找到11条指令的真值信息。

(3)接下来可以看看控制器的设计

控制器是运用比较器的方法来判断控制信号的,用输入的funct和opcode来判断指令。
根据真值表可以知道哪个指令对应哪个信号。
R型指令的判断需要opcode都为0的时候才能成立。
版权声明:本文为weixin_58945028原创文章,遵循 CC 4.0 BY-SA 版权协议,转载请附上原文出处链接和本声明。